汽車軟硬結合板廠告訴你五種經典模擬電路的解析
大家知道什么是模擬電路嗎?在PCB行業中,汽車軟硬結合板廠的許多技術人員都會將對模擬量進行傳輸、變換、放大、處理、測量和顯示等工作的電路稱作模擬電路。平時,技術人員會與五花八門的電路打交道,而歸之根本,有這么一些電路圖就像是模擬電路里的里程碑,值得我們永遠記住,今天就和汽車軟硬結合板廠一起來看看吧!
自舉電路
該電路用于各種ADC之前的采樣電路中,使ADC能夠實現軌對軌輸入。采樣電路的工作電壓超過VDD,很大程度上縮短了設定時間,使得模擬電路幾乎沒有可靠性問題。電路中的任何設備都不能減少或改變。該電路直接使ADC的發展向前邁出了一大步,現在它幾乎是除各種ADC的標準配置之外的一個除法Δ∑,是歷史上最經典的模擬電路之一。
工作波形看起來比較舒服:
一個神奇的電流源輸入“任意”電流(合理大小的任意電流值),輸出都大約是2*ln8*Vt/R。

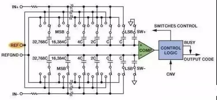
SAR-ADC
工作原理如下:
比較器將在每個時鐘邊緣比較電容器上的電壓與接地,以確定下一個電容器是否連接到電路。本質上,這是利用了數學分析上的二分法來逼近未知電壓。

電容端電壓變化
開關電容的共模反饋
僅僅4個電容加6個開關就實現了共模反饋,非常簡潔,且幾乎不會影響OPAM本身的輸出級電壓擺幅、增益之類的規格,非常高效。

數據加權平均
基本思想是快速遍歷DAC中的每一個電流元,從而減少電流元失配對ADC信噪比的影響,僅僅通過幾個簡單的數電模塊就可以實現對電流元失配的一階噪聲整形,非常巧妙。

萬能的H橋電路
驅動電機正反轉,妥妥的好用而且實惠,買一塊驅動芯片的錢夠自己搭十個橋了。而且用市場上最常見的三極管就能搞定,功率稍大的換成mos管就行了。
驅動電機為前進檔和倒檔。它易于使用且價格合理。它可以用市場上最常見的三極管來實現,功率稍高的三極管可以用MOS管來代替。
.jpg)
下面為差分傳輸方式的終端匹配方法比較:
如下圖所示為兩種差分傳輸方式的終端方法,第一種方法采用單電阻終端,第二種方法采用雙電阻終端。

據汽車軟硬結合板廠小編了解,第一種方法匹配差模信號,但不匹配共模信號。在共模干擾的理想條件下(干擾信號同時到達A線和B線且幅度相同)工作良好。然而,當A和B傳輸線的干擾條件由于布線和其他原因而不完全一致時,干擾信號將在傳輸線上來回反射。特別是當發送時鐘信號且傳輸線的延遲等于時鐘周期的1/4時,干擾信號可在線路上反射以形成自激。

第二種方法分別匹配每條傳輸線。這種方法同時匹配共模信號和差模信號,因此不會在傳輸線上產生反射。
ps:部分圖片來源于網絡,如有侵權,請聯系我們刪除
最新產品
通訊手機HDI
-

-
型號:GHS08K03479A0
階數:8層二階
板材:EM825
板厚:0.8mm
尺寸:144.08mm*101mm
最小線寬:0.075mm
最小線距:0.075mm
最小孔徑:0.1mm
表面處理:沉金+OSP
通訊手機HDI
-

-
型號:GHS06C03294A0
階數:6層二階
板材:EM825
板厚:1.0mm
尺寸:92mm*118mm
最小線寬:0.075mm
最小線距:0.075mm
最小孔徑:0.1mm
表面處理:沉金
通訊模塊HDI
-

-
型號:GHS04K03404A0
階數:4層一階+半孔
板材:EM825
板厚:0.6mm
尺寸:94.00*59.59mm
最小線寬:0.076mm
最小線距:0.076mm
最小孔徑:0.1mm
表面處理:沉金+OSP
5G模塊PCB
P1.5顯示屏HDI
-

-
型號:GHS04C03605A0
層數:4層一階
所用板材:EM825
板厚:1.6mm
尺寸:24mm*116mm
最小盲孔:0.1mm
最小埋孔:0.2mm
最小線寬:0.13mm
最小線距:0.097mm
表面處理:沉金
外形公差:+0.05/-0.15mm(板內無定位孔)
特殊要求:燈窩間距:P1.5
P2.571顯示屏HDI
-

-
型號:GHS04C03429A0
階層:4層一階
板材:EM825
板厚:1.6mm
尺寸:215.85mm*287.85mm
最小盲孔:0.1mm
最小埋孔:0.2mm
最小線寬:0.152mm
最小線距:0.152mm
表面處理:沉金
外形公差:+/-0.15mm(板內無定位孔)
特殊要求:控深鉆帽子電鍍間距:P2.571
P1.9顯示屏HDI
-

-
型號:GHM08C03113A0
階層:8層一階
板材:EM825
板厚:1.6mm
尺寸:239.9mm*239.9mm
最小盲孔:0.1mm
最小埋孔:0.2mm
最小線寬:0.127mm
最小線距:0.127mm
表面處理:沉金
外形公差:+0.05/-0.15mm(板內無定位孔)
特殊要求:控深鉆間距:P1.9
P1.923顯示屏HDI
同類文章排行
- 2017年度中國電子電路板PCB百強企業排行榜
- 2017全球PCB制造企業百強排行榜
- 2014年線路板廠綜合排名——你必須知道!
- 世界頂級電路板廠商排行榜
- HDI廠之2015全球百大PCB企業榜單出爐,中國大陸PCB企業占34家!
- HDI PCB的應用及其優勢
- 看4G與5G基站電路板需求對比
- 實拍贛州深聯線路板廠生產車間,PCB全流程驚艷你的視野
- 2018年電路板行業原材料漲價潮又要開始了
- 電路板廠教你快速識別PCB綠色產品標識
最新資訊文章
- HDI 板行業趨勢洞察:未來之路在何方?
- 一個卓越的電路板廠需要具備哪些關鍵條件?
- PCB 廠憑啥能成為電子產業的 “幕后英雄” ?
- 未來 PCB 將迎來哪些顛覆性突破?
- 綠色環保趨勢下,汽車軟硬結合板材料如何革新?
- PCB 行業未來十年,將迎來哪些顛覆性變革?
- 智能化浪潮下,汽車軟硬結合板如何賦能智能駕駛?
- 未來電路板會在物聯網應用中有何新突破?
- 軟硬結合板憑什么在汽車電子中備受青睞?
- 手機無線充線路板的未來發展方向在哪?







共-條評論【我要評論】